TE171和TE131液压站
发布时间:2018-04-19来源:矿井提升机点击:10346

TE17和TE13系列液压站使用说明
1、 液压站作用主要是:
(1)、为盘形制动器提供可以调节的压力油,是提升机获得不同的制动力矩。
(2)、在任何事故状态下,可以使盘形制动器的油压迅速降低到预先调定的某一值,经过延时后,盘形制动器的全部油压值迅速回到零,使盘形制动器到达全制动状态。即:可以实现对提升机的一级(紧急)制动、二级制动能力。
(3)、可以供给单绳双筒矿井提升机的调绳装置所需要的控制压力油。
经过技术改进后,该型号完全满足2016年版的《煤矿安全规程》第425条关于“安全制动必须有并联冗余的回油通道”的规定
2、 液压站主要技术参数:
系统工作油压 6.3Mpa 或14MPa
系统供油量 9.0L/min
二级制动延时时间 0~10S(由电气完成)
比例调压电子放大器控制信号 DC 0~10V
电子放大器电源 DC 24V
液压油牌号 YB-N46号抗磨液压油
工作油温 15~65℃
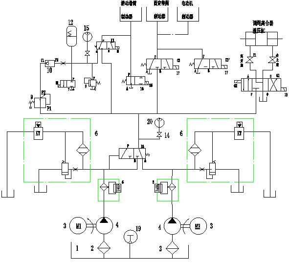
3、 液压站工作原理图:

4、液压站常用配件:
液压站密封圈
比例阀
电磁阀
电磁铁
减压阀
单向阀
溢流阀
液动换向阀
压力表
压力表开关
电接点压力表
油泵
